Views: 501 Author: Site Editor Publish Time: 2021-05-17 Origin: Site
Electro-hydraulics do not separate families. Those who engage in hydraulics may not necessarily be proficient in electrical. Those who engage in electrical must understand hydraulics! Machinery, whether hydraulic or electrical, must master the necessary knowledge, such as machining, turning, milling and grinding machines, tolerance matching, plasma laser line cutting, welding, and so on. But today I want to explain a little knowledge of an electromagnetic directional valve, which is also a problem encountered during a recent project.
Before sharing, we must first understand one thing, what is an electro-hydraulic directional valve?

Generally, what we see is the simplified symbol, that is, the symbol on the right. In fact, see (a) for the detailed function symbols, so today’s internal control, external control, internal leakage, and external leakage can be better understood from (a).
The control oil x of the electro-hydraulic reversing valve can be taken from the P port of the independent oil circuit (internal control), or an independent oil source (external control) can be provided.
For high-pressure hydraulic systems (high P pressure), in order to prevent reversing impact, the control oil x cannot be taken from the independent P port, and an independent oil source with lower pressure must be set up, that is, an external control type is used.
When using external control, the flow rate of the independent oil source shall not be less than 15% of the maximum flow rate of the main valve to ensure the reversing time requirement.
For low-pressure hydraulic systems (low P pressure), the control oil x can be taken from the P port of the autonomous oil circuit, that is, the internal control type is adopted.
When using internal control, the main oil circuit must ensure the minimum control pressure (0.3~0.5MPa).
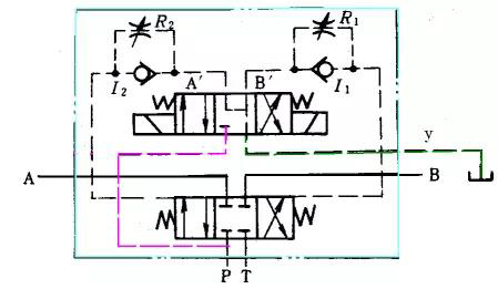
The oil return y of the solenoid valve can be led out separately (external leakage), or it can be communicated with the main valve oil return port T in the valve body and drained back to the oil tank together (internal leakage).
For systems with high pressure at the main valve return port T, in order to prevent the back pressure of T from being too high, the pilot valve return y is too high, causing the main valve reversing resistance to be too large. The return oil y should be separated from T and return to the tank separately. , That is, using the leaking style.
For systems with low pressure at the oil return port T, the oil return y can be communicated with T, using an internal drain type.
The following figure shows the oil circuit of the externally controlled and drained electro-hydraulic directional valve. This type of valve is used in the high-pressure system and the main return oil circuit pressure (back pressure) is high.

The following figure shows the oil circuit of the internally controlled and internally drained electro-hydraulic directional valve. This type of valve is used in a low-pressure system and the main return oil circuit pressure (back pressure) is low.

The following figure shows the oil circuit of the internally controlled and externally drained electro-hydraulic directional valve, which is suitable for low-pressure systems and occasions where the main return oil circuit pressure (back pressure) is high.

The following figure shows the oil circuit of the externally controlled and internally drained electro-hydraulic directional valve, which is suitable for high-pressure systems and occasions where the main return oil circuit pressure (back pressure) is high.

For R&D designers, some knowledge that must be mastered will also be of great help in future designs.
